UN Hydraulic seals – Piston and rod seals

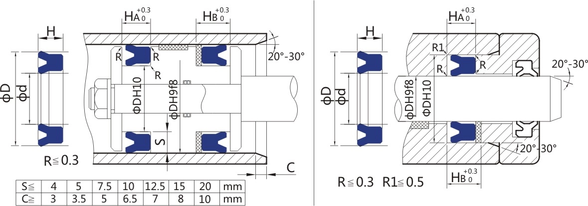
The UNS/UN Piston Rod Seal has a wide cross-section and is an asymmetrical u-shaped sealing ring with the same height of the inner and outer lips. It is easy to fit into a monolithic structure. Due to the wide cross-section, UNS Piston Rod Seal is generally used in a hydraulic cylinder with low pressure.Having been used very widely in hydraulic cylinders, UNS can be used for piston and rod applications because of having the height of both sealing lips equal.
Description

Rod and piston seals are equal lip-seal which can be used for both piston and rod, they are also the most critical seals on any type of fluid power equipment preventing leakage of fluid from within the cylinder to the outside. Leakage through the rod or piston seal can reduce equipment performance, and also in extreme cases can cause environmental issues.
Polyurethane (PU) is a special material that offers the resilience of rubber combined with the toughness and durableness. It allows people to substitute rubber, plastic and metal with PU. Polyurethane can reduce factory maintenance and OEM product cost. Polyurethane has better abrasion and tear resistance than rubbers, and offering higher load bearing capacity.
Compared PU with plastic, polyurethane not only offers excellent impact resistance, but also offers excellent wear resistant and high tensile strength. Polyurethane have subsituted metals in sleeve bearings, wear plates, conveyor rollers, rollers and various other parts, with benefits such as weight reduction, noise abatement and wear improvements.
(配图)
Materials
Material: PU
Hardness: 90-95 Shore A
Color: Blue and Green
Technical Data
Operation conditions
Pressure: ≤31.5Mpa
Temperature: -35~+110℃
Speed: ≤0.5 m/s
Media: Hydraulic oils (mineral oil-based)
Advantages
- Particularly strong wear resistance.
- Insensitivity to shock loads and pressure peaks.
- High crush resistance.
- It has an ideal sealing effect under no load and low-temperature conditions.
- Suitable for demanding working conditions.
- Easy to install.
Colors:
Packaging:

















